Nástroje, stroje, broušení...
+420 602 330 236
sekretariat@sanapkostelec.cz
menu
O nás
Showroom
E-shop
Broušení
Partneři
O nákupu
Blog
Kontakt
hledat
Facebook
Přihlášení
Home
PRODEJNA
Nože
Výměnné - žiletky HM
Do olepovaček
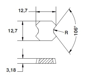
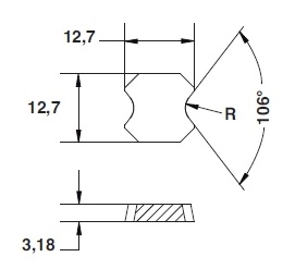
Nůž cidlina 12,7x12,7x3,18 R3 BSP
Produkty
PRODEJNA
8053
AKU nářadí
603
AKU sady
13
Baterie a nabíječky
47
Brusky
39
Pásové
3
Přímé, na sádrokarton
2
Vibrační, excentrické
7
Frézky
15
Hoblíky
8
Hřebíkovačky
16
Kladiva
26
Kompresory
6
Ostatní stroje
26
Pily
84
Ostatní
8
Pokosové
7
Přímočaré
9
Ruční, ponorné
43
Řetězové
15
Stolní
2
Příslušenství k AKU
12
Rádia
14
Rázové utahováky
37
Svítilny
24
Šroubováky
129
Bez příklepu
86
Na sádrokarton
5
Příklepové
39
Vysavače
23
Zahradní technika
84
Křovinořezy/vyžínače
18
Nůžky na trávu
5
Ofukovače
10
Ostatní
4
Pily
5
Plotostřihy
12
Příslušenství AKU zahrada
18
Sekačky
11
Brusivo
1093
Brusné houby
11
Kotouče
183
Brusné kotouče
28
Diamantové řezné kotouče
43
Lamelové
42
Řezné kotouče
54
Vulkánfíbrové kotouče
18
Ostatní
46
Pásy lepené
334
Pásy pro ruční el.nářadí
61
Role
41
Širokopásy
116
Výseky
303
DELTA
12
Hranaté
60
Kulaté
233
Elektrické ruční nářadí
1209
Brusky
105
Pásové
9
Úhlové
36
Vibrační, excentrické
55
Dlabačky
7
Frézy
55
Hoblíky
17
Kolíkovací systémy
10
Náhradní díly
119
Ostatní
57
Pily
151
Pásové
2
Pokosové
19
Přímočaré (listové), ocasky
26
Ruční, ponorné
70
Řetězové
14
Stolní
20
Příslušenství
691
Bity, držáky bitů, sklíčidla
148
Ostatní (sáčky, nože do hoblíků, ...)
305
Pilové listy
121
Vodící lišty, šablony
124
Vrtačky
39
Vysavače
18
Frézy
377
Čepovací kotouče
8
DIA frézy
10
Do olepovaček
13
Drážkovací frézy
110
Falcovací frézy
23
Frézy na dveře, dvířka a sady na dveře
13
Frézy na profilové nože
22
Hoblovací hlavy
16
Náhradní díly
22
Nástroje do ručních strojků
7
Příslušenství
57
Rádiusové frézy
44
Čtvrtkruhová vydutá
26
Půlkruhová vydutá
8
Půlkruhová vypouklá
10
Sady fréz na palubky
7
Sady na okna
5
Tvrdokovové frézy
1
Úhlové frézy
15
Kluziva, čističe, mazací tuky
25
Lepidla a spojovací materiál
88
Lepidla
38
Spojovací materiál
50
Nože
830
Hoblovací nože
108
Polotovary
4
Profilové nože
366
Omezovače
170
Profilové nože
197
Rýhované blankety, polotovary
23
Tersa
6
Výměnné - žiletky HM
318
Do olepovaček
42
Drážkovací nožíky - kopáčky
37
Mini nože - upínací drážky 4-břité
8
Ostatní
15
Rádiusové
21
Standardní 2-břité
71
Standardní 4-břité
67
Standardní zkosené
14
Trojúhleníky
6
Tvarové
32
Odsávací zařízení
142
Hadice
32
LIGNUM CLEAR
5
Ostatní
8
WIRE TPU-Z
19
Mobilní odsavače
30
Příslušenství k odsavačům
40
Rozbočky, redukce
37
Ostatní
123
Pilové nástroje
879
Dlabací řetězy
43
Lišty a kolečka k lištám
17
Ložiska
4
Řetězy
16
Sady
6
Pilové kotouče
760
Drážkovací
22
Formátovací
200
Rovný zub
5
Střídavě šikmý zub
136
Trapézový zub
59
Hliník a plasty
44
Kov
3
Ostatní
29
Plechové
44
Pro ruční el. nářadí
216
Předřezové
73
Kónický / rovný zub
25
Střídavě šikmý zub
47
Příslušenství
21
Rozmítací
88
Sada na lamino
18
Pilové pásy
34
Pilové řetězy
42
Podávací zařízení
17
Podavače
13
Příslušenství
4
Příslušenství ke strojům
9
Ruční nářadí
514
Dláta a pilníky
49
Kapování / ořezávání hrany
8
Kufry, organizéry
75
Měřící technika
163
Odlamovací nože + čepele
10
Ochranné pomůcky
8
Ostatní
118
Pily
75
Ruční sešívačky
13
Stopkové frézy
540
DIA stopkové frézy
41
Monolitické (spirálové, hrubovací)
48
Náhradní díly, ložiska
56
Pájené
345
Drážkovací frézy
100
Falcovací frézy
9
Ořezávací rovné a úhlové frézy
34
Ostatní
16
Profilové okrasné frézy
32
Rybinové frézy pro cinkové spoje
18
Talířové drážkovací frézy
28
Úhlové frézy
15
V-drážkovací a popisové frézy
12
Zaoblovací a radiusové frézy
81
Žiletkové - na výměnné nože
52
Drážkovací frézy
23
Ořezávací frézy
14
Úhlové, falcovací a radiusové frézy
15
Svěrky
124
Příslušenství ke svěrkám
11
Svěrky
113
Truhlářské přípravky a šablony
59
Upínací pouzdra
109
Kleštiny
52
Kleštinový systém ER25
8
Kleštinový systém ER32
16
Kleštinový systém ER40
8
Kleštiny do polských dlabaček
4
Ostatní
23
Ostatní
11
Redukce na kolíkovací vrtáky
15
Rychloupínací pouzdra
13
Upínací hlavy pro CNC
11
Vrtáky
963
Dlabací vrtáky
31
2-břité
29
4-břité
2
Do dřeva
182
Kolíkovací vrtáky
290
Neprůchozí
201
Levý
98
Pravý
103
Průchozí
63
Levý
31
Pravý
33
Se závitem
26
Levý
13
Pravý
13
Na konfirmáty
3
Na kov, do betonu, do kamene
194
Ostatní
38
Sekáče, sady sekáčů a vrtáků
83
Sukovníky
92
Ostatní
11
Pro kolíkovačky
45
Levý
16
Pravý
29
Ruční
36
Záhlubníky
51
Zátkovníky
10
Vzduchotechnika
317
Kompresory
45
Pistole
59
Hřebíkovačky
31
Kombinované pistole
2
Pinkovačky
2
Sponkovačky
22
Příslušenství (hadice, rychlospojky, koncovky, .
63
Spony a hřebíky
136
Výhodné sety
16
DŘEVOOBRÁBĚCÍ STROJE
100
Pily
22
Formátovací
20
Pásové
4
Soustruhy
4
Frézky
14
Spodní
7
Srovnávací
3
Tloušťkovací (protah)
4
Brusky
25
Hranové
1
Pásové
4
Širokopásové
19
Lisy
2
Briketovací
2
Kolíkovací stroje
2
Dlabací stroje
8
Vrtací
7
Kombinované stroje
8
Hoblovka (sr. frézka) - protah (tloušťkov.)
8
Olepovací stroje
4
Ostatní
10
KOVOOBRÁBĚCÍ STROJE
24
Frézky
1
Pily
7
Pásové
7
Příslušenství ke strojům
1
Soustruhy
3
Vrtačky
12
Sloupové
6
Stojanové, stolní
5
VÝPRODEJ
178
AKU nářadí
94
Brusivo
58
Elektrické nářadí
4
Ostatní
17
Pilové kotouče
5
Novinky
17
bře
VÝSTAVNÍ A PŘEDVÁDĚCÍ AKCE JARO 2026
CELÝ ČLÁNEK
15
bře
NABÍDKA PRÁCE - OBCHODNÍ ZÁSTUPCE/KYNĚ
CELÝ ČLÁNEK
11
bře
Baterie Makita BL4040F zdarma
CELÝ ČLÁNEK
01
kvě
NABÍDKA PRÁCE - OBSLUHA CNC, NC a KLASICKÝCH OSTŘIČEK A BRUSEK
CELÝ ČLÁNEK
09
pro
Dárkový poukaz
CELÝ ČLÁNEK
Nůž cidlina 12,7x12,7x3,18 R3 BSP
Výrobce
B.S.P. srl
SANAP obj. kód
101980
Obj. název
9550004
skladem
787 Kč
650 Kč bez DPH
Množství:
ks
Přidat do košíku
Detailní popis
Technické parametry
Dotaz
Šířka s
3,18 mm
Výška h
12,7 mm
Délka L
12,7 mm
Produkt *
Jméno *
E-mail *
Telefon
Dotaz
Souhlasím se zásadami ochrany
osobních údajů
odeslat
Máte dotaz? Napište nám
Rádi Vám ho zodpovíme.
kontakt
Menu
O nás
Showroom
E-shop
Broušení
Partneři
O nákupu
Blog
Kontakt
PRODEJNA
8053
AKU nářadí
603
AKU sady
13
Baterie a nabíječky
47
Brusky
39
Pásové
3
Přímé, na sádrokarton
2
Vibrační, excentrické
7
Frézky
15
Hoblíky
8
Hřebíkovačky
16
Kladiva
26
Kompresory
6
Ostatní stroje
26
Pily
84
Ostatní
8
Pokosové
7
Přímočaré
9
Ruční, ponorné
43
Řetězové
15
Stolní
2
Příslušenství k AKU
12
Rádia
14
Rázové utahováky
37
Svítilny
24
Šroubováky
129
Bez příklepu
86
Na sádrokarton
5
Příklepové
39
Vysavače
23
Zahradní technika
84
Křovinořezy/vyžínače
18
Nůžky na trávu
5
Ofukovače
10
Ostatní
4
Pily
5
Plotostřihy
12
Příslušenství AKU zahrada
18
Sekačky
11
Brusivo
1093
Brusné houby
11
Kotouče
183
Brusné kotouče
28
Diamantové řezné kotouče
43
Lamelové
42
Řezné kotouče
54
Vulkánfíbrové kotouče
18
Ostatní
46
Pásy lepené
334
Pásy pro ruční el.nářadí
61
Role
41
Širokopásy
116
Výseky
303
DELTA
12
Hranaté
60
Kulaté
233
Elektrické ruční nářadí
1209
Brusky
105
Pásové
9
Úhlové
36
Vibrační, excentrické
55
Dlabačky
7
Frézy
55
Hoblíky
17
Kolíkovací systémy
10
Náhradní díly
119
Ostatní
57
Pily
151
Pásové
2
Pokosové
19
Přímočaré (listové), ocasky
26
Ruční, ponorné
70
Řetězové
14
Stolní
20
Příslušenství
691
Bity, držáky bitů, sklíčidla
148
Ostatní (sáčky, nože do hoblíků, ...)
305
Pilové listy
121
Vodící lišty, šablony
124
Vrtačky
39
Vysavače
18
Frézy
377
Čepovací kotouče
8
DIA frézy
10
Do olepovaček
13
Drážkovací frézy
110
Falcovací frézy
23
Frézy na dveře, dvířka a sady na dveře
13
Frézy na profilové nože
22
Hoblovací hlavy
16
Náhradní díly
22
Nástroje do ručních strojků
7
Příslušenství
57
Rádiusové frézy
44
Čtvrtkruhová vydutá
26
Půlkruhová vydutá
8
Půlkruhová vypouklá
10
Sady fréz na palubky
7
Sady na okna
5
Tvrdokovové frézy
1
Úhlové frézy
15
Kluziva, čističe, mazací tuky
25
Lepidla a spojovací materiál
88
Lepidla
38
Spojovací materiál
50
Nože
830
Hoblovací nože
108
Polotovary
4
Profilové nože
366
Omezovače
170
Profilové nože
197
Rýhované blankety, polotovary
23
Tersa
6
Výměnné - žiletky HM
318
Do olepovaček
42
Drážkovací nožíky - kopáčky
37
Mini nože - upínací drážky 4-břité
8
Ostatní
15
Rádiusové
21
Standardní 2-břité
71
Standardní 4-břité
67
Standardní zkosené
14
Trojúhleníky
6
Tvarové
32
Odsávací zařízení
142
Hadice
32
LIGNUM CLEAR
5
Ostatní
8
WIRE TPU-Z
19
Mobilní odsavače
30
Příslušenství k odsavačům
40
Rozbočky, redukce
37
Ostatní
123
Pilové nástroje
879
Dlabací řetězy
43
Lišty a kolečka k lištám
17
Ložiska
4
Řetězy
16
Sady
6
Pilové kotouče
760
Drážkovací
22
Formátovací
200
Rovný zub
5
Střídavě šikmý zub
136
Trapézový zub
59
Hliník a plasty
44
Kov
3
Ostatní
29
Plechové
44
Pro ruční el. nářadí
216
Předřezové
73
Kónický / rovný zub
25
Střídavě šikmý zub
47
Příslušenství
21
Rozmítací
88
Sada na lamino
18
Pilové pásy
34
Pilové řetězy
42
Podávací zařízení
17
Podavače
13
Příslušenství
4
Příslušenství ke strojům
9
Ruční nářadí
514
Dláta a pilníky
49
Kapování / ořezávání hrany
8
Kufry, organizéry
75
Měřící technika
163
Odlamovací nože + čepele
10
Ochranné pomůcky
8
Ostatní
118
Pily
75
Ruční sešívačky
13
Stopkové frézy
540
DIA stopkové frézy
41
Monolitické (spirálové, hrubovací)
48
Náhradní díly, ložiska
56
Pájené
345
Drážkovací frézy
100
Falcovací frézy
9
Ořezávací rovné a úhlové frézy
34
Ostatní
16
Profilové okrasné frézy
32
Rybinové frézy pro cinkové spoje
18
Talířové drážkovací frézy
28
Úhlové frézy
15
V-drážkovací a popisové frézy
12
Zaoblovací a radiusové frézy
81
Žiletkové - na výměnné nože
52
Drážkovací frézy
23
Ořezávací frézy
14
Úhlové, falcovací a radiusové frézy
15
Svěrky
124
Příslušenství ke svěrkám
11
Svěrky
113
Truhlářské přípravky a šablony
59
Upínací pouzdra
109
Kleštiny
52
Kleštinový systém ER25
8
Kleštinový systém ER32
16
Kleštinový systém ER40
8
Kleštiny do polských dlabaček
4
Ostatní
23
Ostatní
11
Redukce na kolíkovací vrtáky
15
Rychloupínací pouzdra
13
Upínací hlavy pro CNC
11
Vrtáky
963
Dlabací vrtáky
31
2-břité
29
4-břité
2
Do dřeva
182
Kolíkovací vrtáky
290
Neprůchozí
201
Levý
98
Pravý
103
Průchozí
63
Levý
31
Pravý
33
Se závitem
26
Levý
13
Pravý
13
Na konfirmáty
3
Na kov, do betonu, do kamene
194
Ostatní
38
Sekáče, sady sekáčů a vrtáků
83
Sukovníky
92
Ostatní
11
Pro kolíkovačky
45
Levý
16
Pravý
29
Ruční
36
Záhlubníky
51
Zátkovníky
10
Vzduchotechnika
317
Kompresory
45
Pistole
59
Hřebíkovačky
31
Kombinované pistole
2
Pinkovačky
2
Sponkovačky
22
Příslušenství (hadice, rychlospojky, koncovky, .
63
Spony a hřebíky
136
Výhodné sety
16
DŘEVOOBRÁBĚCÍ STROJE
100
Pily
22
Formátovací
20
Pásové
4
Soustruhy
4
Frézky
14
Spodní
7
Srovnávací
3
Tloušťkovací (protah)
4
Brusky
25
Hranové
1
Pásové
4
Širokopásové
19
Lisy
2
Briketovací
2
Kolíkovací stroje
2
Dlabací stroje
8
Vrtací
7
Kombinované stroje
8
Hoblovka (sr. frézka) - protah (tloušťkov.)
8
Olepovací stroje
4
Ostatní
10
KOVOOBRÁBĚCÍ STROJE
24
Frézky
1
Pily
7
Pásové
7
Příslušenství ke strojům
1
Soustruhy
3
Vrtačky
12
Sloupové
6
Stojanové, stolní
5
VÝPRODEJ
178
AKU nářadí
94
Brusivo
58
Elektrické nářadí
4
Ostatní
17
Pilové kotouče
5
2